Flared gas recovery

There are a large crude oil storage tanks in the Oil fields. These tanks are used to hold oil for brief periods of time in order to stabilize flow between production wells and pipeline or trucking transportation sites.

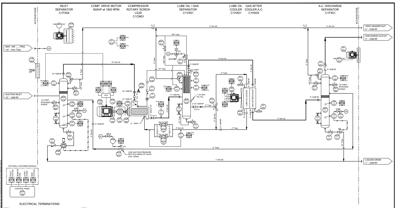
During storage, light hydrocarbons dissolved in the crude oil including methane and other volatile organic compounds (VOC), natural gas liquids (NGLs), hazardous air pollutants (HAP), and some inert gases vaporize or "flash out" and collect in the space between the liquid and the fixed roof of the tank. As the liquid level in the tank fluctuates, these vapors are often vented to the atmosphere. One way to prevent emissions of these light hydrocarbon vapors and yield significant economic savings is to install vapor recovery units (VRUs) on oil storage tanks. VRUs are relatively simple systems that can capture about 95 percent of the Btu-rich vapors for sale or for use onsite as fuel.

NRG Global Power will be investing in the flared gas recovery in Libya and the world, by supplying new units , rentals and long leases to potential partners.

Inventory

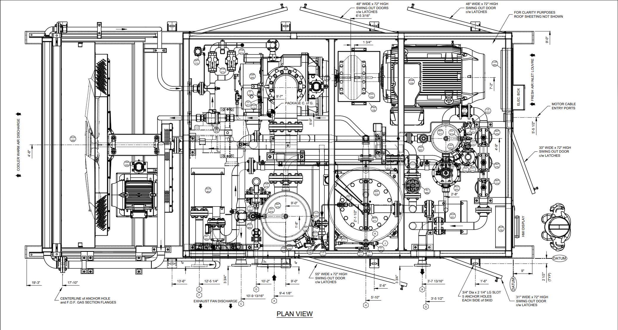
3 VAPOR RECOVERY UNITS SIZE 2.0MMSCF EACH

Our Approach